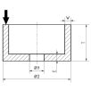
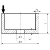
Gránit Fazékkorong 125x63x32 W8 E13 6A54J8V 31 (cikkszám: 10141)
Minőségi magyar gyártmányú Gránit csiszolószerszám. Professzionális ipari felhasználásra tervezett fazék alakú köszörűkorong, kiváló teljesítménnyel Edzetlen szerszámacél, Edzett szerszámacél, Gyorsacél (SS. HSS), Acélöntvény megmunkálásához.
Miért válassza ezt a Gránit terméket?
- Szemcse: nemes elektrokorund (piros/fehér) – kiváló önéleződő képesség és precíz megmunkálás
- Sík felületek köszörüléséhez (függőleges tengelyű köszörűgépen) szerszámköszörülésre, élezésre
- Kötéskeménység (J): J
- Max. kerületi sebesség: 32 m/s
- Szín: fehér – nemes elektrokorund, finomsági köszörülésre
Alkalmas anyagok: Edzetlen szerszámacél, Edzett szerszámacél, Gyorsacél (SS. HSS), Acélöntvény, Szürkeöntvény.







